500-14-0163 HP Tube
The HP Tube 500-14-0163 is a high-pressure (HP) piping component in the Techni pump assembly. It acts like a conduit or “Tee (long G4)” fitting — a specially shaped high-pressure tube that connects the cylinder output or pressure side to other components in the high-pressure fluid circuit. Under extreme pressure, this tube must maintain structural integrity while resisting vibration, pressure spikes, and corrosion. Proper fit, wall thickness, material strength, and connection sealing are critical. If this tube fails or leaks, it compromises cutting pressure, efficiency, and safety of the entire waterjet system.

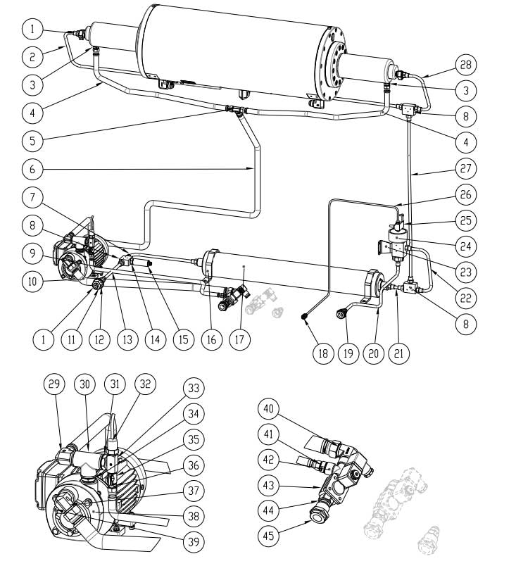
ITEM NO. | Description | Part Number | Quantity |
1 | Gland Nut 3/8” | 10078129 | 7 |
2 | HP Tube | 500-14-0163 | 1 |
HP Tube Conduit | 700-11-0010 | 1 | |
3 | ¼” BSPM – 17 JICM Nipple | 208-4-0084 | 2 |
4 | Hose Assy: Tee to HP End | SAPH-004 | 2 |
5 | 12 JIC Tee | 208-5-0030 | 1 |
6 | Hose Assy: Booster Pump to Tee | SAPH-015 | 1 |
7 | HP Tube | 500-14-0162 | 1 |
HP Tube Conduit | 700-11-0012 | 1 | |
8 | HP Tee 3/8” | 10078590 | 3 |
9 | Hose Assy: Bypass | SAPH-013 | 1 |
10 | Hose Assy: Service Panel to Booster Pump | SAPH-014 | 1 |
11 | 3/8” HP Bulkhead | 500-20-0005 | 1 |
12 | Bulkhead Washer | SAP-G4-64 | 2 |
13 | HP Tube | 500-14-0161 | 1 |
HP Tube Conduit | 700-11-0014 | 1 | |
14 | Adaptor Insert | SAPS-46-1 | 1 |
15 | Pressure Transducer | 700-7-0020 | 1 |
16 | Attenuator Clamp | SAP-G4-29 | 2 |
17 | Attenuator 1.0L | 500-20-0016 | 1 |
18 | Push-In Bulkhead - 6mm | 201-29-0010 | 1 |
19 | Tube Connector | SAPS-56-1 | 1 |
20 | HP Tube | 500-14-0165 | 1 |
HP Tube Conduit | 700-11-0015 | 1 | |
21 | HP Tube | 500-14-0159 | 1 |
HP Tube Conduit | 700-11-0013 | 1 | |
22 | HP Tube | 500-14-0172 | 1 |
HP Tube Conduit | 700-11-0012 | 1 | |
23 | Dump Valve Bracket | SAP-G4-55 | 1 |
24 | Dump Valve | 13244 | 1 |
25 | MAC Valve | 500-11-0070 | 1 |
26 | 6mm Tube – Black | 500-11-0006 | 1 |
27 | HP Tube | 500-14-0153 | 1 |
HP Tube Conduit | 700-11-0011 | 1 | |
28 | HP Tube | 500-14-0164 | 1 |
HP Tube Conduit | 700-11-0012 | 1 | |
29 | ¾” BSPM – 12 JICM Elbow SS | 208-2-0052 | 1 |
30 | ¾” Female Tee SS | 202-5-0750 | 1 |
31 | ¾” – ¼” Reducing Bush | 203-9-3414 | 1 |
32 | Pressure Transducer Cable Assy | 700-1-0160 | 1 |
33 | ¼” M/F/F Tee Brass | 203-5-0001 | 1 |
34 | ¾” BSPM Nipple SS | 202-4-0750 | 1 |
35 | Ball Valve | 203-18-0020 | 1 |
36 | ¼” BSPM – 9 JICM Nipple | 208-4-0079 | 1 |
37 | ¾” BSPM – 17 JICM Elbow SS Modified | 208-2-0053-1 | 1 |
38 | Water Pump | 500-7-0097 | 1 |
39 | 1/8” – 4mm Push In | 201-1-0418 | 1 |
40 | ½” BSPM – 17 JICM Elbow SS | 208-2-0054 | 1 |
41 | ½” BSPM – 9 JICM Nipple SS | 208-4-0086 | 1 |
42 | ½” BSP FFM Tee | 203-5-0010 | 1 |
43 | Diaphragm Valve | 205-17-0030 | 1 |
44 | ½” Nipple | 203-4-0500 | 1 |
45 | ½” Bulkhead | 209-29-0010 | 2 |
NA | Water Booster Pump Seal Kit | 500-7-0100 | 1 |
NA | Water Booster Pump Repair Kit | 500-7-0096 | 1 |
wwaterjet